DealerImage
KORTE GEPERSTE/MV BOCHT + D VR R-G-V-KAN 90° - DIA 100MM
VABKFKL-VGF90
T-VABKFKL-VGF90
VABKFKL-VGF90
T-VABKFKL-VGF90
Aantal Verpakking Prijs (Excl / Incl) Korting
1 x Pc. 13.3456 € / 16.1482 € 62.00 %
10 x Pc. 12.9944 € / 15.7232 € 63.00 %
50 x Pc. 12.2920 € / 14.8733 € 65.00 %
300 x Pc. 11.9408 € / 14.4484 € 66.00 %
PRODUCT GEGEVENS
Product VABKFKL-VGF90100-E01
Omschrijving Korte geperste/mv bocht + d vr r-g-v-kan 90° - dia 100mm
Kort bocht voor rond galva ventilatie kanaal - man/vrouw
Verzinkt staal met rubberafdichting en "soft-edge" technologie
Luchtdichtheidsklasse : d - voldoet aan nen-7120
Fabric pack : airsmart partnumber : 10.bdkf9100a
Ean nummer = 8715577106384 = 1 stuk
Verkrijgbaar per stuk / doos = 50 stuks
Fabricant Airspiralo
Fabricant Code 10.BDKF9100A
Merk Ken-Lok
Groep Ventilatie
Galva Hulpstukken Voor Ronde Buizen
Galva Korte Bochten - Kl Fabric Pack
Wordt verkocht per 1 Pc.
Barcode 8HLFPRH*bagdie+
QRCode
Kort geperste bochten zijn ontworpen voor ventilatiesystemen in gebouwen
op basis van SPIRAL-kanalen en gewone kanalen. Naadlassen
bieden luchtdichtheidsklasse D zonder de noodzaak om andere afdichtingsmiddelen te gebruiken. In ventilatie- en warmteterugwinningssystemen is biedt de dubbele EPDM-pakking een luchtdichtheidsklasse D volgens
EN 12237. Het stuk wordt met een kanaal verbonden door het ene in het andere in te brengen. De korte buigradius helpt bij het installeren van het
leidingwerk onder een verlaagd plafond met een beperkte vrije ruimte.
MV-bochten hebben een vrouwelijk koppling voor directe verbinding
op de montageframes van verschillende luchtventielen.
Materiaal VERZINKT PLAATSTAAL
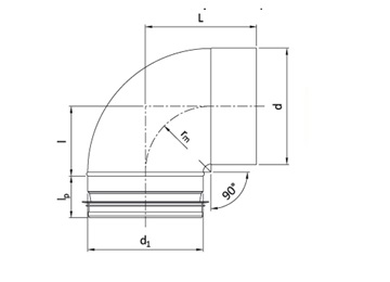
D1 of d 100 mm
L 62 mm
Lp 35 mm
Rm 60 mm
Type Korte geperste bocht 90° met dichting - M/V
Luchtdichtheidsklasse D
Energienorm NEN-7120
Oppervlaktebehandeling SENDZIMIR VERZINKT
Productienorm EN-1506 + EN-12237
Verbinding type 1 Mannelijk
Verbinding type 2 Vrouwelijk
Centrisch/exentrisch Centrisch
HS/TARIC Code 7307.99.80.00
Land (Oorsprong) Nederland
Product
Gewicht 210.000 g
Afmetingen 147 mm x 190 mm x 104 mm
Pak 1
Barcode 8HLFPRH*bagdie+
Hoeveelheid 1 Pc.
Verpakking Fabric-pack : losse stukken
Gewicht 210.000 g
Afmetingen 147 mm x 190 mm x 104 mm
Pak 2
Hoeveelheid 10 Pc.
Verpakking WT-pack : losse stukken - etiket op stuk
Gewicht 2100.000 g
Pak 3
Hoeveelheid 50 Pc.
Verpakking Fabric-pack : karton overdoos
Afmetingen 405 mm x 405 mm x 813 mm
Pak 4
Hoeveelheid 300 Pc.
Verpakking Fabric-pack : europallet 80x120 cm
Va-Airsmart Handleiding_Galva Buizen En Hulpstukken_01.Pdf Va-Airsmart Handleiding_Galva Buizen En Hulpstukken_01.Pdf Montagehandleiding Ronde Ventilatiebuizen Airsmart 3/6/2021
Va-Brochure Ronde Ventilatiekanalen.Doc.Pdf Va-Brochure Ronde Ventilatiekanalen.Doc.Pdf Productcataloog Ronde Ventilatiekanalen Airsmart 3/6/2021
Druk op één van de onderstaande trefwoorden om een lijst te krijgen van alternatieve artikelen
KEURINGEN / KWALITEITSLABELS / MATERIALEN
CE
Reach Comliant
RoHS Rompliant
Fost Plus
ETIM
LUKA