Skip Navigation Links
Home
Aanvragen: Offerte
Winkelmandje
Aanmelden
HOME
 |  
VENTILATIE
 |  
GALVA HULPSTUKKEN VOOR RONDE BUIZEN
 |  
GALVA BOCHTEN - KL FABRIC PACK
GEPERSTE BOCHT + DICHTING VR R-G-V-KANAAL 90° - DIA 080MM
Aantal
Verpakking
Prijs (Excl / Incl)
Korting
1
x
Pc.
5.0768 € / 6.1429 €
62.00 %
10
x
Pc.
4.9432 € / 5.9813 €
63.00 %
60
x
Pc.
4.6760 € / 5.6580 €
65.00 %
360
x
Pc.
4.5424 € / 5.4963 €
66.00 %
PRODUCT GEGEVENS
Details
Fiche
Specificaties
Videos
Logistiek
Downloads
Keywords
Product
VABDFKL-VG090080-E01
Omschrijving
Geperste bocht + dichting vr r-g-v-kanaal 90° - dia 080mm
Bocht voor rond galva ventilatie kanaal
Verzinkt staal met rubberafdichting en "soft-edge" technologie
Luchtdichtheidsklasse : d - voldoet aan nen-7120
Fabric pack : airsmart partnumber : 10.bd9080a
Ean nummer = 8715577009586 = 1 stuk
Verkrijgbaar per stuk / doos = 60 stuks
Fabricant
Airspiralo
Fabricant Code
10.BD9080A
Merk
Ken-Lok
Groep
Ventilatie
Galva Hulpstukken Voor Ronde Buizen
Galva Bochten - Kl Fabric Pack
Wordt verkocht per
1 Pc.
Barcode
8HLFPRH*aajfig+
QRCode
Geperste bochten zijn ontworpen voor het bouwen van ventilatiesystemen
gebaseerd op spiraalvormige en gewone kanalen. Naadlassen zorgen voor lucht
dichtheidsklasse D zonder de noodzaak om andere kitten te gebruiken.
Ventilatie- en warmteterugwinningssystemen met dubbele EPDM-pakking bieden luchtdichtheidsklasse D volgens EN 12237. Het stuk wordt met een kanaal verbonden door het ene in het andere te steken. De geperste vorm van het ventilatiestuk helpt daarbij om de stromingsweerstand en het drukverlies te verminderen.
Materiaal
VERZINKT PLAATSTAAL
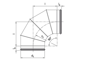
D1 of d
80 mm
L
80 mm
Lp
35 mm
Rm
110 mm
Type
Geperste bocht 90° met dichting
Luchtdichtheidsklasse
D
Energienorm
NEN-7120
Oppervlaktebehandeling
SENDZIMIR VERZINKT
Productienorm
EN-1506 + EN-12237
Merk
KEN-LOK
Verbinding type 1
Mannelijk
Verbinding type 2
Mannelijk
Centrisch/exentrisch
Centrisch
HS/TARIC Code
7307.99.80.00
Land (Oorsprong)
Nederland
Product
Gewicht
260.000 g
Afmetingen
185 mm x 84 mm x 185 mm
Pak 1
Barcode
8HLFPRH*aajfig+
Hoeveelheid
1 Pc.
Verpakking
Fabric-pack : losse stukken
Gewicht
260.000 g
Afmetingen
185 mm x 84 mm x 185 mm
Pak 2
Hoeveelheid
10 Pc.
Verpakking
WT-pack : losse stukken - etiket op stuk
Gewicht
2600.000 g
Pak 3
Hoeveelheid
60 Pc.
Verpakking
Fabric-pack : karton overdoos
Afmetingen
405 mm x 405 mm x 813 mm
Pak 4
Hoeveelheid
360 Pc.
Verpakking
Fabric-pack : europallet 80x120 cm
Va-Airsmart Handleiding_Galva Buizen En Hulpstukken_01.Pdf
Montagehandleiding Ronde Ventilatiebuizen Airsmart
3/6/2021
Va-Brochure Ronde Ventilatiekanalen.Doc.Pdf
Productcataloog Ronde Ventilatiekanalen Airsmart
3/6/2021
Druk op één van de onderstaande trefwoorden om een lijst te krijgen van alternatieve artikelen
Ventilatiebocht
Spiraalbocht
Bochten Voor Ventilatiebuizen
90°
80 Mm
Galva Bocht
KEURINGEN / KWALITEITSLABELS / MATERIALEN