Skip Navigation Links
Home
Aanvragen: Offerte
Winkelmandje
Aanmelden
HOME
 |  
VENTILATIE
 |  
REGELKLEPPEN + CAV + VAV
 |  
KEN LOK REGELKLEPPEN MET AFGEDICHT BLAD - F-PACK
GEMOTOR. REGELKLEP VR R-G-V KAN. AFGEDICHT BLAD 230V-Ø200
PRODUCT GEGEVENS
Details
Fiche
Specificaties
Videos
Logistiek
Keywords
Product
VFRDKL-KLMC2G200-E01
Omschrijving
Gemotor. regelklep vr r-g-v kan. afgedicht blad 230v-ø200
100% luchtdicht - 2-as gelagerd - traploos instelbaar
Motorstoel met verlengde as - 230 volt o/d 5nm
Verzinkt staal met rubberafdichting en "soft edge" tech.
Luchtdichtheidsklasse : d - voldoet aan en-12237
Fabric pack : airsmart partnumber : 10.mrdm200230f
Ean nummer = 8715577158819 = 1 stuk
Verkrijgbaar per stuk
Fabricant
Airspiralo
Fabricant Code
10.MRDM200230F
Merk
Ken-Lok
Groep
Ventilatie
Regelkleppen + Cav + Vav
Ken Lok Regelkleppen Met Afgedicht Blad - F-Pack
Wordt verkocht per
1 Pc.
Barcode
8HLFPRH*bfiibj+
QRCode
Afsluitkleppen worden gebruikt bij een 100% sluitende toepassing: het luchtdicht afsluiten van ventilatiekanalen.
De KLMCM heeft een rond, instelbaar klepblad voorzien van een rubberrand die zorgt voor luchtdichte afsluiting en is voorzien van een motorstoel. De klep heeft geen knop. De klep is ontworpen voor het toevoegen van een motor.
De motorplank is voorzien van passende bevestigingsgaten voor Belimo’s LM, NM, SM en GM motoren.
Type
Gemotoriseerde regelklep afgedicht blad
Materiaal soort
Verzinkt plaatstaal
Voor kanaalmaat
200 mm
Verbinding type 1
Mannelijk
Luchdichtheidsklasse
D
Centrisch/exentrisch
Centrisch
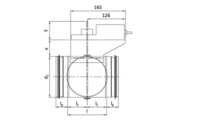
I
88 mm
I1
44 mm
Lp
35 mm
Land (Oorsprong)
Nederland
Product
Gewicht
1650.000 g
Pak 1
Barcode
8HLFPRH*bfiibj+
Hoeveelheid
1 Pc.
Verpakking
Fabric-pack : losse stukken
Gewicht
1650.000 g
Pak 2
Hoeveelheid
5 Pc.
Verpakking
Fabric-pack : losse stukken
Pak 3
Hoeveelheid
10 Pc.
Verpakking
Fabric-pack : losse stukken
Pak 4
Hoeveelheid
100 Pc.
Verpakking
Fabric-pack : europallet 80x120 cm
Druk op één van de onderstaande trefwoorden om een lijst te krijgen van alternatieve artikelen
Gemotoriseerde Regelklep
Afgedicht Blad
D= 200 Mm
230 Volt
KEURINGEN / KWALITEITSLABELS / MATERIALEN